Zum Hauptinhalt springen Zur Suche springen Zur Hauptnavigation springen
Telefonische Beratung: 02331 - 62 52 8-0 (Mo-Do: 7:45 - 16:00 Uhr und Fr: 7:45 - 14:30 Uhr)
Ihr Spezialist für professionelle Spanntechnik

Spannkraftmessgerät Dreibackenfutter 0,6-6,0 kN

Produktinformationen "Spannkraftmessgerät Dreibackenfutter 0,6-6,0 kN"

Spannkraftmessgerät für Dreibackenfutter

- Messgenauigkeit ± 1,5% vom Skalenendwert
- Krafteinleitung durch 3 Kolben
- Spannkraft pro Backe 3 x 2 kN

- Spannkraft 0,6 - 6 kN

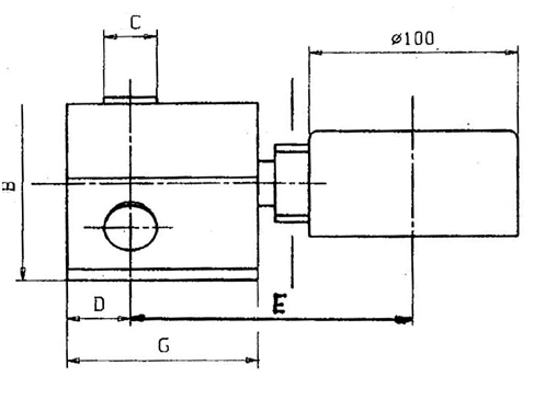
Technische Daten

Spannkraft /
Gripping force kN
Spannkraft pro Backe /
Gripping force per jaw kN
A
mm
B
mm
C
mm
D
mm
E
mm
F
mm
kg
0,6 – 6 3 x 2 40 40 10 12 105 45 0,8
1 – 10 3 x 3,33 40 40 10 12 105 45 0,8
3 – 30 3 x 10 40 45 13 15 110 50 1,2
6 – 60 3 x 20 55 60 20 20 110 60 1,9
9 – 90 3 x 30 65 70 22 23 120 65 2,5
12 – 120 3 x 40 65 70 25 26 120 65 2,5
15 – 150 3 x 50 85 90 30 32 118 70 4,0
18 – 180 3 x 60 85 90 30 32 118 70 4,0
21 – 210 3 x 70 95 100 35 37 123 80 5,5
24 – 240 3 x 80 95 100 35 37 123 85 8,0
30 – 300 3 x 100 120 125 35 40 125 85 8,0
40 – 400 3 x 133,3 120 125 35 40 125 85 8,0
                 
Angaben ohne Gewähr, technische Änderungen vorbehalten /
Information provided without guarantee, technical changes reserved

Informationen zur Produktsicherheit:

  • Nur für technisch versierte und mit dem Produkt vertraute Anwender sowie Handwerker geeignet.
  • Nur für den vorhergesehenen Verwendungszweck geeignet.
  • Unsachgemäße Verwendung kann zu Schäden und Verletzungen führen.

Importeur/Hersteller:

Gedema GmbH
Berchumer Str. 74
58093 Hagen

E-Mail: info@messwelt.com
E-Mail: info@gedema.com

Ausgenommen sind Artikel bei denen explizit der Hersteller genannt wird.