Weiche Aufsatzbacken Vierbacken-Drehfutter 630 mm
Produktnummer:
398574370500
Zolltarifnummer:
84662091
EAN:
Gewicht:
14,4 kg
Lagerbestand:
0
Weiterführende Links:
Artikel anfragen
Produktinformationen "Weiche Aufsatzbacken Vierbacken-Drehfutter 630 mm"
Bison Backensatz,
weiche Aufsatzbacken für Vierbacken-Drehfutter
- Material: Stahl
- 4 Stück pro Satz
| Backen für Ø: | 630 mm |
|---|---|
| Ersatzbacken: | Weiche Aufsatzbacken |
| Fabrikat: | Bison |
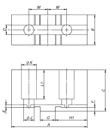
Technische Daten
| Futtergröße / Chuck size |
A | B | C | D | E | F | G | H | J | K | L1 | M | kg pro Stück / kg per piece |
| 200 | 90 | 27,0 | 43,5 | 7,95 | 4 | 3,2 | 12,69 | 40 | 11 | 18 | 31,0 | 22,25 | 0,7 |
| 250 | 106 | 32,5 | 51,5 | 12,71 | 4 | 3,2 | 19,04 | 45 | 14 | 20 | 38,0 | 27,00 | 1,2 |
| 315 | 120 | 37,0 | 55,0 | 12,71 | 4 | 3,2 | 19,04 | 53 | 14 | 20 | 40,0 | 31,75 | 1,6 |
| 400 | 140 | 42,0 | 64,5 | 12,71 | 4 | 6,3 | 19,04 | 63 | 18 | 26 | 45,5 | 38,10 | 2,2 |
| 500 | 140 | 42,0 | 74,5 | 12,71 | 4 | 6,3 | 19,04 | 63 | 22 | 33 | 56,0 | 38,10 | 2,4 |
| 630 | 140 | 54,0 | 82,0 | 12,71 | 4 | 6,3 | 19,04 | 58 | 22 | 33 | 64,0 | 38,10 | 3,6 |
| 800 | 140 | 72,0 | 88,0 | 12,71 | 4 | 6,3 | 19,04 | 58 | 22 | 33 | 70,0 | 38,10 | 5,5 |
| Angaben ohne Gewähr, technische Änderungen vorbehalten / Information provided without guarantee, technical changes reserved |
|||||||||||||
Informationen zur Produktsicherheit:
- Nur für technisch versierte und mit dem Produkt vertraute Anwender sowie Handwerker geeignet.
- Nur für den vorhergesehenen Verwendungszweck geeignet.
- Unsachgemäße Verwendung kann zu Schäden und Verletzungen führen.
Importeur/Hersteller:
Gedema GmbH
Berchumer Str. 74
58093 Hagen
E-Mail: info@messwelt.com
E-Mail: info@gedema.com
Ausgenommen sind Artikel bei denen explizit der Hersteller genannt wird.