Hard top jaw HJ12 for power chucks
€130.90*
€155.77 incl. Vat.
Available, delivery time: 1-3 workdays
Product number:
29-HJ-12
Customs tariff number
8466 2091
European Article Number
4049794002520
Weight
1,2 kg
Stock:
2
Related links:
Request Item
Product information "Hard top jaw HJ12 for power chucks"
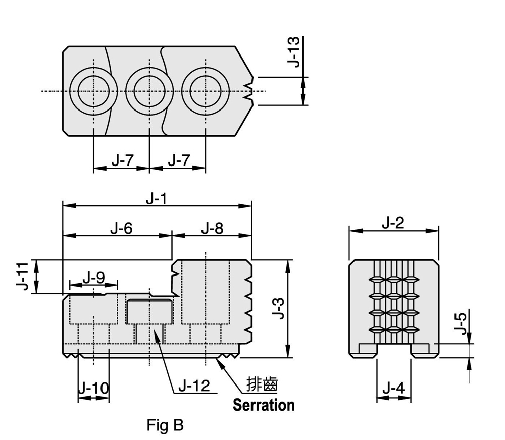
Hard top jaw type HJ12 for hydraulic power chucks
- serration 1,5 x 60°
- jaws compatible with Kitagawa power chucks
- price per piece
| Jaws: | Hard top jaws |
|---|---|
| Jaws type: | HJ12 |
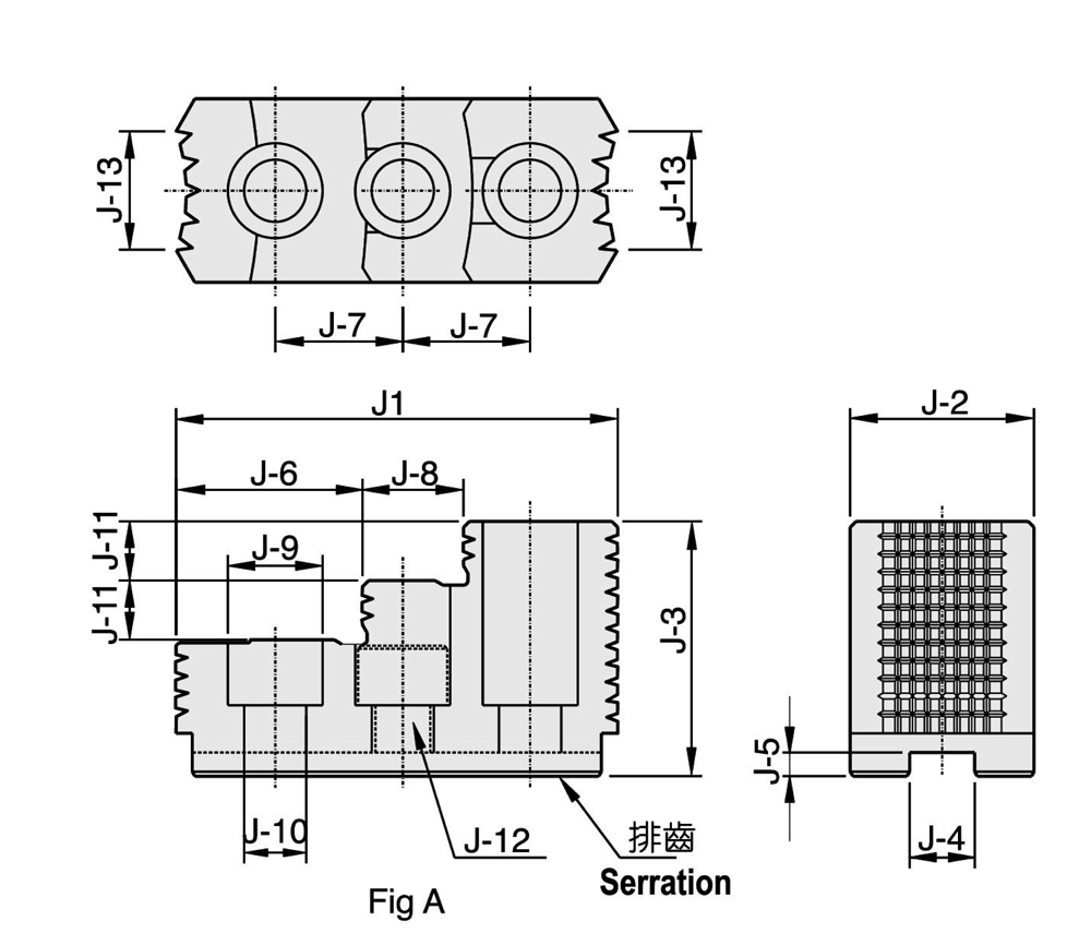
Technical Data
| Typ / Type |
Abbildung / Figure |
J-1 mm |
J-2 mm |
J-3 mm |
J-4 mm |
J-5 mm |
J-6 mm |
J-7 mm |
J-8 mm |
J-9 mm |
J-10 mm |
J-11 mm |
J-12 | J-13 mm |
Verzahnung / Selection |
| HJ05 | B | 53 | 23 | 27,5 | 10 | 4 | 30,5 | 14 | 25,5 | 13,5 | 8,5 | 10 | M8 | 6 | 1,5 x 60° |
| HJ06 | B | 67,5 | 32 | 35 | 12 | 5 | 39,5 | 20 | 23,5 | 17 | 11 | 12 | M10 | 11 | 1,5 x 60° |
| HJ08 | A | 86 | 35 | 51 | 14 | 5 | 31 | 25 | 18 | 19 | 13 | 12 | M12 | 12 | 1,5 x 60° |
| HJ10 | A | 99,5 | 40 | 54 | 16 | 5 | 43 | 30 | 17 | 19 | 13 | 13 | M12 | 15 | 1,5 x 60° |
| HJ12 | B | 103 | 50 | 52 | 21 | 4 | 62,5 | 30 | 40,5 | 25 | 17 | 17 | M16 | 30 | 1,5 x 60° |
| HJ12-1 | B | 103 | 50 | 52 | 18 | 5 | 62,5 | 30 | 40,5 | 22 | 15 | 17 | M14 | 30 | 1,5 x 60° |
| HJ-15 | A | 149 | 62 | 86 | 22 | 8 | 63 | 43 | 34 | 32 | 21 | 20 | M20 | 40 | 1,5 x 60° |
| Angaben ohne Gewähr, technische Änderungen vorbehalten / Information provided without guarantee, technical changes reserved |
|||||||||||||||
Product Safety Information:
- Suitable only for technically skilled users familiar with the product and for craftsmen.
- Intended solely for the designated purpose.
- Improper use may lead to damage and injuries.
Importer/Manufacturer:
Gedema GmbH
Berchumer Str. 74
58093 Hagen
Email: info@messwelt.com
Email: info@gedema.com
Items explicitly stating the manufacturer are excluded.