Skip to main content Skip to search Skip to main navigation
Telephone consultation: 02331 - 62 52 8-0 (Mon–Thu: 7.45 AM – 4.00 PM and Fri: 7.45 AM - 2.30 PM)
Your specialist for professional clamping technology

Face milling cutters 45° D=63 d=22 Z5 set

Product information "Face milling cutters 45° D=63 d=22 Z5 set"

Face milling cutters 45° D=63 d=22 Z5

- Set inclusive 20 pieces milling inserts SEKT 1204 AFTN K400

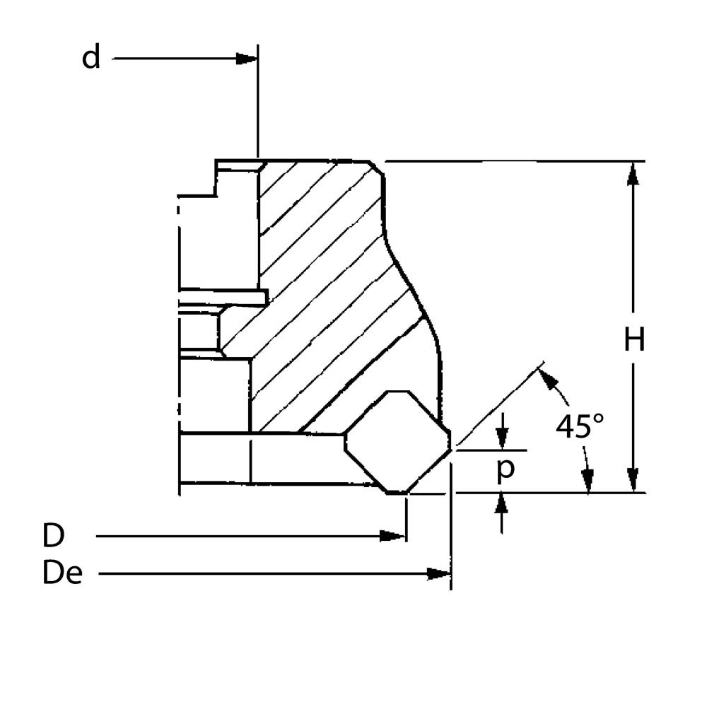
Technical Data

De ß Z WSP
50 63 22 48 6 - 4 SEHT
SEHX
SEKT
1204…
63 76 22 48 6 - 5
80 93 27 50 6 - 6
             

Product Safety Information:

  • Suitable only for technically skilled users familiar with the product and for craftsmen.
  • Intended solely for the designated purpose.
  • Improper use may lead to damage and injuries.

Importer/Manufacturer:

Gedema GmbH
Berchumer Str. 74
58093 Hagen

Email: info@messwelt.com
Email: info@gedema.com

Items explicitly stating the manufacturer are excluded.